This article is not available in English, view it in Czech
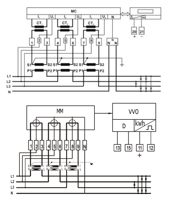
Při instalaci nepřímého měření je velmi důležité, aby zapojení přesně odpovídalo schématu. Dodrženo musí být také nasazení měřících transformátorů na kabel/šínu ve správném směru proudu.
Níže jsou uvedena schémata zapojení elektroměrů x/5A do sítě 3x230/400V pro měřící transformátory se značením svorek S1-S2/P1-P2 a pro měřící transformátory se značením svorek k-K/l-L
Pokud jsou na elektroměru svorky č. 20/21, jedná se vždy o impulsní výstup, svorky č. 13/15 slouží k přepínání sazeb (vysoký/nízký tarif).

Byl tento článek užitečný?
To je skvělé!
Děkujeme Vám za zpětnou vazbu
Je nám líto, že jsme vám nepomohli
Děkujeme Vám za zpětnou vazbu
Zpětná vazba odeslána
Oceňujeme vaši snahu a pokusíme se článek opravit